1. Do not share user accounts! Any account that is shared by another person will be blocked and closed. This means: we will close not only the account that is shared, but also the main account of the user who uses another person's account. We have the ability to detect account sharing, so please do not try to cheat the system. This action will take place on 04/18/2023. Read all forum rules.
    Dismiss Notice
  2. For downloading SimTools plugins you need a Download Package. Get it with virtual coins that you receive for forum activity or Buy Download Package - We have a zero Spam tolerance so read our forum rules first.

    Buy Now a Download Plan!
  3. Do not try to cheat our system and do not post an unnecessary amount of useless posts only to earn credits here. We have a zero spam tolerance policy and this will cause a ban of your user account. Otherwise we wish you a pleasant stay here! Read the forum rules
  4. We have a few rules which you need to read and accept before posting anything here! Following these rules will keep the forum clean and your stay pleasant. Do not follow these rules can lead to permanent exclusion from this website: Read the forum rules.
    Are you a company? Read our company rules

$450 Mige Direct Drive Wheel using MMOS and AASD

Discussion in 'DIY peripherals' started by Peacemaker105, May 6, 2020.

  1. Gadget999

    Gadget999 Well-Known Member

    Joined:
    Dec 27, 2015
    Messages:
    2,020
    Location:
    London
    Balance:
    12,331Coins
    Ratings:
    +497 / 11 / -0
    My Motion Simulator:
    2DOF, DC motor, Arduino, 6DOF
    thats interesting - this means the mige servo driver can be used rather than the AASD driver !!

    i did not realise the board could produce a negative torque voltage
  2. Milt

    Milt Member

    Joined:
    Mar 17, 2018
    Messages:
    60
    Location:
    USA
    Balance:
    32Coins
    Ratings:
    +28 / 0 / -0
    My Motion Simulator:
    2DOF
    It is not actually producing a negative voltage. The analog voltage still goes from 0v to 3.3v, but using the voltage offset at Pn190 we can tell the AASD driver to make 1.65V the "zero" voltage. So when 0v is sent from the STM32, the driver interprets that as -1.65v. When 3.3v is sent, the driver thinks it is +1.65v. Not sure if the Mige driver has the same voltage offset parameter as an option...
  3. Gadget999

    Gadget999 Well-Known Member

    Joined:
    Dec 27, 2015
    Messages:
    2,020
    Location:
    London
    Balance:
    12,331Coins
    Ratings:
    +497 / 11 / -0
    My Motion Simulator:
    2DOF, DC motor, Arduino, 6DOF
    Ok understood

    The mige driver needs a postive voltage for cw and negative for ccw
  4. Milt

    Milt Member

    Joined:
    Mar 17, 2018
    Messages:
    60
    Location:
    USA
    Balance:
    32Coins
    Ratings:
    +28 / 0 / -0
    My Motion Simulator:
    2DOF
    Sure, but does it have a signal voltage offset that you can set? The same method I used on the AASD might work for the Mige if it allows...
    • Like Like x 1
  5. Gadget999

    Gadget999 Well-Known Member

    Joined:
    Dec 27, 2015
    Messages:
    2,020
    Location:
    London
    Balance:
    12,331Coins
    Ratings:
    +497 / 11 / -0
    My Motion Simulator:
    2DOF, DC motor, Arduino, 6DOF
    i will look into it ! if the mige driver is quieter we might loose the squeal !
  6. Gadget999

    Gadget999 Well-Known Member

    Joined:
    Dec 27, 2015
    Messages:
    2,020
    Location:
    London
    Balance:
    12,331Coins
    Ratings:
    +497 / 11 / -0
    My Motion Simulator:
    2DOF, DC motor, Arduino, 6DOF
    on the mige driver there is PA 39 - Analogue torque offset - value between -2000 and 2000

    there is also a torque gain PA 29 so it looks like it can be done !

    the mige driver operates at 1.5 khz from what I can make out
  7. Milt

    Milt Member

    Joined:
    Mar 17, 2018
    Messages:
    60
    Location:
    USA
    Balance:
    32Coins
    Ratings:
    +28 / 0 / -0
    My Motion Simulator:
    2DOF
    Great! Do you have one to test now or just thinking about buying one?
  8. Gadget999

    Gadget999 Well-Known Member

    Joined:
    Dec 27, 2015
    Messages:
    2,020
    Location:
    London
    Balance:
    12,331Coins
    Ratings:
    +497 / 11 / -0
    My Motion Simulator:
    2DOF, DC motor, Arduino, 6DOF
    I have one - I will need to find some time to wire up the correct connectors etc - its a pretty good driver from what I can make out and is suited to the +/- voltage Torque model but will work in position mode just like a AASD driver. Can a 3.3v board be modded to outputs -3.3v to +3.3v (i tried it using a DC h bridge and it did work but i was not sure the resolution of the h bridge was fine enough)
  9. Milt

    Milt Member

    Joined:
    Mar 17, 2018
    Messages:
    60
    Location:
    USA
    Balance:
    32Coins
    Ratings:
    +28 / 0 / -0
    My Motion Simulator:
    2DOF
    From what I have found, there are ways to achieve this, but it is beyond me how to design the appropriate circuit. What you'd use is called a biopolar DAC... that's about as far as I've got on the subject.
    • Like Like x 1
  10. JonBakhol

    JonBakhol Active Member

    Joined:
    Mar 16, 2018
    Messages:
    107
    Location:
    Netherlands harderwijk
    Balance:
    443Coins
    Ratings:
    +46 / 1 / -0
    My Motion Simulator:
    2DOF, DC motor, JRK
    He Guys,

    Like I mentioned an month ago:

    ($450 Mige Direct Drive Wheel using MMOS and AASD)

    I still have the problem of losing connection to the game. Al of the sudden there is no registration of the wheel, so it freezes (in game) and there is no power any more from the Mige.
    After restarting the game, everything is there again. Until the point that is happens again.
    There is no clue when it happens. Sometimes after a few hours, sometimes after a few minutes.

    I suspect the Disco board, but I'm not sure. (I already re-flashed the Disco board, but no luck)
    Does anyone encountered this problem also? And if yes, did you solve it. (And how)

    TIA

    Bakhol
    • Winner Winner x 1
  11. Gadget999

    Gadget999 Well-Known Member

    Joined:
    Dec 27, 2015
    Messages:
    2,020
    Location:
    London
    Balance:
    12,331Coins
    Ratings:
    +497 / 11 / -0
    My Motion Simulator:
    2DOF, DC motor, Arduino, 6DOF
    Sim Pedals ?

    I have a small sketch that will allow you to use a Arduino Leonardo to create a set of Windows pedals / Joystick

    So you can have a seperate controller for your wheel and pedals

    I use a Hydraulic brake and increase the value to use full range of the axis (16bit) - if you use this you may not need to amplify the numbers

    use A0, A1 and A2 for reading the pedals


    ##########################################################


    #include <Joystick.h>

    // Variable
    int gas = A0;
    int brake = A1;
    int clutch = A2;
    int gasValue = 0;
    int gasValuebyte = 0;
    int brakeValue = 0;
    int brakeValuebyte1 = 0;
    int brakeValuebyte2 = 0;
    int clutchValue = 0;
    int clutchValuebyte1 = 0;
    int clutchValuebyte2 = 0;

    Joystick_ Joystick;


    // init joystick libary
    void setup() {
    Joystick.begin();
    }

    void loop() {

    // Gas
    gasValue = analogRead(gas);
    if (gasValue >= 1) {
    gasValuebyte = gasValue * 1.4 ;
    }
    else
    {
    gasValuebyte = 0 ;
    }
    //Joystick.setThrottle(gasValuebyte);
    Joystick.setXAxis(gasValuebyte);
    delay(1);

    // Brake
    brakeValue = analogRead(brake);
    if (brakeValue >= 1) {
    brakeValuebyte1 = brakeValue * 2 ;
    // brakeValuebyte2 = brakeValuebyte1 - 127;

    }
    else
    {
    //brakeValuebyte2 = -127;
    }
    Joystick.setYAxis(brakeValuebyte1);

    delay(1);

    // Clutch
    clutchValue = analogRead(clutch);
    if (clutchValue >= 1) {
    clutchValuebyte1 = clutchValue ;
    //clutchValuebyte2 = clutchValuebyte1 - 127;

    }
    else
    {
    //clutchValuebyte2 = -127;
    }
    Joystick.setZAxis(clutchValuebyte1);

    delay(1);
    }
  12. JonBakhol

    JonBakhol Active Member

    Joined:
    Mar 16, 2018
    Messages:
    107
    Location:
    Netherlands harderwijk
    Balance:
    443Coins
    Ratings:
    +46 / 1 / -0
    My Motion Simulator:
    2DOF, DC motor, JRK
    @Gadget999,

    Not sure if this was a comment on my message? But I do use separate pedals already. :)

    Ride on
    Bakhol
    • Optimistic Optimistic x 1
  13. sedesa tatasa

    sedesa tatasa Member

    Joined:
    Jun 16, 2018
    Messages:
    62
    Balance:
    509Coins
    Ratings:
    +15 / 0 / -0
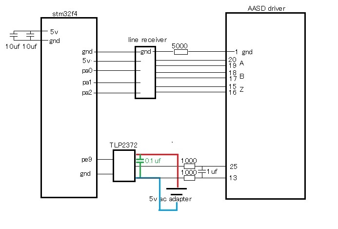
    Noise from the servo driver destroys stm32.
    You can protect it with this.
    TLP2372 may not be needed. noise.jpg
  14. JonBakhol

    JonBakhol Active Member

    Joined:
    Mar 16, 2018
    Messages:
    107
    Location:
    Netherlands harderwijk
    Balance:
    443Coins
    Ratings:
    +46 / 1 / -0
    My Motion Simulator:
    2DOF, DC motor, JRK
    @sedesa tatasa Thanks for coming back to me.
    Do you have a kind of version/type/model of line receiver I should use?

    TIA
    Bakhol
  15. sedesa tatasa

    sedesa tatasa Member

    Joined:
    Jun 16, 2018
    Messages:
    62
    Balance:
    509Coins
    Ratings:
    +15 / 0 / -0
  16. JonBakhol

    JonBakhol Active Member

    Joined:
    Mar 16, 2018
    Messages:
    107
    Location:
    Netherlands harderwijk
    Balance:
    443Coins
    Ratings:
    +46 / 1 / -0
    My Motion Simulator:
    2DOF, DC motor, JRK
    @Milt
    Sorry to bother you also on this channel :)

    I followed all the steps you mentioned, and all is working fine.
    At least better than the first time I tried (broken flipper instead of finger :)) Broken flipper.jpg

    Now my question:
    Like I mentioned, all is working fine. I'm only worried about the big offset PN190. At this point it is at -1495.

    When the DB25 connector is pulled out, the wheel is going crazy. (Back to zero due to PN190?)
    When the USB mini is pulled out from the STN32F407 Disco1, the wheel is going crazy. (Back to zero due to PN190?)

    Do you have some kind of safety for the lose of connections?
    Something like: If <lose of signal on pin X> then <Cut power to servo>?

    I run the 130ST-M10025 so you can imagine I don't want to have a run-away when driving (with VR)

    Also the PN189 value, keep it at 100%? Or can you adjust the overall power with it. (But with a run-away it always uses the 5V?)

    Like to hear your thoughts.

    Ride on
    Bakhol
    Last edited: Mar 4, 2021
  17. Gadget999

    Gadget999 Well-Known Member

    Joined:
    Dec 27, 2015
    Messages:
    2,020
    Location:
    London
    Balance:
    12,331Coins
    Ratings:
    +497 / 11 / -0
    My Motion Simulator:
    2DOF, DC motor, Arduino, 6DOF
    i saw a comment about another way of controlling the aasd

    "Also, I strongly suggest swapping from MMoS to EMC Development firmware (not the old Arduino EMC). Yeah, it costs 15 euros but it is well worth it. It's in current development and supports more features as well as MUCH better FFB. Will run on your STM32F407 but also the cheap $2 blackpill (STM32F103). Unfortunately it's a rewire though."

    has anyone tried the EMC firmware ?
  18. JonBakhol

    JonBakhol Active Member

    Joined:
    Mar 16, 2018
    Messages:
    107
    Location:
    Netherlands harderwijk
    Balance:
    443Coins
    Ratings:
    +46 / 1 / -0
    My Motion Simulator:
    2DOF, DC motor, JRK
    @Gadget999 Okay, I'm sold. (Break a leg instead of a Finger :) )
    I'm quit interested. Do you have some kind of link? (saw the youtube....nice to try.....but for Arduino?)

    I'm getting the TDD-Thanos. Most likely "everything" can run on it. MMOS, VNM, EMC?

    Love the game of the almighty servo.

    Ride on
    Bakhol
    Last edited: Mar 4, 2021
  19. ggurov

    ggurov New Member Gold Contributor

    Joined:
    Dec 10, 2020
    Messages:
    1
    Balance:
    48Coins
    Ratings:
    +0 / 0 / -0
    so this is the next thing i'm trying (SN75ALS199N instead, so i could get it sooner, still quad differential line receiver though).

    should there be optical isolation on line receiver output ? or is that sufficiently protected that it won't be necessary ?

    Can i put 4n25 on the direction line control ?

    for voltage, i'm planning on using http://www.icstation.com/voltage-co...wer-module-digital-analog-signal-p-12498.html for PWM DAC , cause the chip mentioned above is ungodly expensive as a shield, and a pain to try to solder.

    i've got a 60st-M01930 with AASD-15A, running of 110V and a HiLetgo STM32F407VET6 () board. Things work okay if the motor isn't enabled, motor power connector unplugged or e-stop is pressed. mmos calibrates fine, sees the index, directions work fine.

    as soon as i enable the motor, USB starts glitching, and disconnecting/reconnecting very fast. when it sees the device, it gets the right wheel angle, but it's not smooth, and has dropouts where the data coming over USB pauses for half a second, and then recovers. this behavior goes away when the motor is disabled (e-stop), with the encoder still working fine and much smoother.

    it's not that particular STM32F board being weird, because the Discovery board disconnects hopelessly and disappears from usb list as soon as drive is enabled with the same setup. acts like it's supposed to with motor disabled.

    force feedback, bumpstops, wheelcheck work fine while it's connected, but with dropouts where i'm seeing data not coming in. also, eventually even the HiLetgo board disappears from the device list until i hit the reset button on the board.

    usb cable has 2 ferrite rings, plugged straight into the computer - no hub. both 2.0 and 3.0 usb show the same craziness. other devices on the same internal usb hub start to act up, so keyboard stop working when the dropouts happen. the cable from the drive to the board is shielded and fairly long, computer and drive are both on the same 110v phase.

    i tried both sides of the A/B/Z (+/-)

    is there just a whole bunch of isolation missing and these chinesium servo drivers are noisy as hell ?
  20. Simone Aliberti

    Simone Aliberti New Member

    Joined:
    Jul 5, 2020
    Messages:
    13
    Balance:
    73Coins
    Ratings:
    +2 / 0 / -0
    My Motion Simulator:
    2DOF, Arduino
    Stupid question, I have stm32F4discovery, to make it work you have to connect both usb outputs on it or just the micro usb.
    the pc detects the card but the vnm software does not see the steering.