1. Do not share user accounts! Any account that is shared by another person will be blocked and closed. This means: we will close not only the account that is shared, but also the main account of the user who uses another person's account. We have the ability to detect account sharing, so please do not try to cheat the system. This action will take place on 04/18/2023. Read all forum rules.
    Dismiss Notice
  2. For downloading SimTools plugins you need a Download Package. Get it with virtual coins that you receive for forum activity or Buy Download Package - We have a zero Spam tolerance so read our forum rules first.

    Buy Now a Download Plan!
  3. Do not try to cheat our system and do not post an unnecessary amount of useless posts only to earn credits here. We have a zero spam tolerance policy and this will cause a ban of your user account. Otherwise we wish you a pleasant stay here! Read the forum rules
  4. We have a few rules which you need to read and accept before posting anything here! Following these rules will keep the forum clean and your stay pleasant. Do not follow these rules can lead to permanent exclusion from this website: Read the forum rules.
    Are you a company? Read our company rules

VFD's and 3phase Induction motors FAQ corner / pls. Read all first

Discussion in 'Motor actuators and drivers' started by speedy, Dec 23, 2013.

  1. speedy

    speedy Well-Known Member

    Joined:
    Feb 1, 2012
    Messages:
    1,193
    Location:
    Alexandria , Egypt
    Balance:
    7,948Coins
    Ratings:
    +1,287 / 10 / -0
    My Motion Simulator:
    3DOF, AC motor, Arduino, Motion platform
    • Like Like x 1
    • Winner Winner x 1
    • Informative Informative x 1
    Last edited: Jan 3, 2014
  2. speedy

    speedy Well-Known Member

    Joined:
    Feb 1, 2012
    Messages:
    1,193
    Location:
    Alexandria , Egypt
    Balance:
    7,948Coins
    Ratings:
    +1,287 / 10 / -0
    My Motion Simulator:
    3DOF, AC motor, Arduino, Motion platform
    There is a long-standing confusion about the difference between synchronous and asynchronous motors. What do these terms mean? How do you tell the difference between the motor types?

    In a typical AC motor, a rotating magnetic field is produced in the stator.The speed types of this rotating field is called the :
    • Synchronous speed (for all kinds of AC motors) and is determined only by the frequency of the power supply and the number of poles of the machine.
    • A synchronous motor * is one in which the rotor rotates at the same speed as the rotating magnetic field in the stator.
    • An asynchronous motor ** is one in which the rotor rotates at a speed slower than the synchronous speed. Then the difference between these two speeds is called “slip” and is usually given as a percentage of the actual rotor speed and synchronous speed of the windings.

    The "slip" is not found in synchronous motors but such information is needed when adjusting your VFD for a 3 phase motor with big load inertia ... And as we'll be using a gearbox to maximize the torque ... no such value will be recorded .



    Here I used such mechanism in my simulator ...




    * 3 phase motors, Brush less motors (BLDC/BLAC) , variable reluctance motors, switched reluctance and hysteresis motors are all synchronous motors

    ** all kinds of brush less single phase AC motors ...

    • Like Like x 1
    Last edited: Jan 3, 2014
  3. cthiggin

    cthiggin Active Member

    Joined:
    Jul 1, 2012
    Messages:
    672
    Occupation:
    Self-Employed
    Location:
    Montgomery AL USA
    Balance:
    15,210Coins
    Ratings:
    +435 / 0 / -0
    My Motion Simulator:
    3DOF, AC motor, Arduino, Motion platform
    abdo_tahan,
    Hope your doing well friend.
    Can I assume that my MicroMax 1 hp, "Inverter Duty" Motors that I will be using are synchronous motors, but heavier duty built to withstand the constant change in motion?
    Thanks so much and I enjoy your information and videos.
    Have a blessed one.

    Tom
    • Agree Agree x 1
  4. speedy

    speedy Well-Known Member

    Joined:
    Feb 1, 2012
    Messages:
    1,193
    Location:
    Alexandria , Egypt
    Balance:
    7,948Coins
    Ratings:
    +1,287 / 10 / -0
    My Motion Simulator:
    3DOF, AC motor, Arduino, Motion platform
    Hi @cthiggin ...
    That is a 100% correct summery ... see the PDF

    Attached Files:

    Last edited: Jan 3, 2014
  5. speedy

    speedy Well-Known Member

    Joined:
    Feb 1, 2012
    Messages:
    1,193
    Location:
    Alexandria , Egypt
    Balance:
    7,948Coins
    Ratings:
    +1,287 / 10 / -0
    My Motion Simulator:
    3DOF, AC motor, Arduino, Motion platform
    Here is the basics for connecting a VFD with such motor ... a stander motor connection ( not all VFD's will look the same like this )

    for a simulator you will need 4 further connections on the green terminals and saving some settings ... will get to them later

    • Like Like x 1
    Last edited: Jan 4, 2014
  6. cthiggin

    cthiggin Active Member

    Joined:
    Jul 1, 2012
    Messages:
    672
    Occupation:
    Self-Employed
    Location:
    Montgomery AL USA
    Balance:
    15,210Coins
    Ratings:
    +435 / 0 / -0
    My Motion Simulator:
    3DOF, AC motor, Arduino, Motion platform
    abdo_tahan,
    THANK YOU so much for the info and especially the videos - I'm going to really study the VFD video tomorrow when it's quiet...
    Since you've come on board to this great site, I've learned so much from the info and videos you have provided all of us here.
    Have a blessed one.
    Tom
  7. speedy

    speedy Well-Known Member

    Joined:
    Feb 1, 2012
    Messages:
    1,193
    Location:
    Alexandria , Egypt
    Balance:
    7,948Coins
    Ratings:
    +1,287 / 10 / -0
    My Motion Simulator:
    3DOF, AC motor, Arduino, Motion platform
    Thank you Mr./Tom ... me too feeling a solid ground here in this site [Excellent Admin. :cool: ]... that what makes you and me stand tall and look up ...
    BTW ... it will never be quit like before :) ... say Hi to your grand children's for me pls. :grin
    • Like Like x 1
    • Friendly Friendly x 1
  8. cthiggin

    cthiggin Active Member

    Joined:
    Jul 1, 2012
    Messages:
    672
    Occupation:
    Self-Employed
    Location:
    Montgomery AL USA
    Balance:
    15,210Coins
    Ratings:
    +435 / 0 / -0
    My Motion Simulator:
    3DOF, AC motor, Arduino, Motion platform
    abdo_tahan,
    This is a fabulous site and "yes", the admin is superb.
    Keeping two grand-daughters now - my son and wife are going to Pasadena CA for the national college playoff - Auburn Al - Florida....Monday nite.
    Should be a good one. TNX and will say hi to the grandkids...
    Have a blessed day.
    Tom
    • Like Like x 1
    • Friendly Friendly x 1
  9. RaceRay

    RaceRay Administrator Staff Member SimAxe Beta Tester

    Joined:
    Nov 8, 2006
    Messages:
    4,658
    Occupation:
    Self-employed | Web and application development
    Location:
    Hamburg, Germany
    Balance:
    23,884Coins
    Ratings:
    +2,094 / 13 / -0
    My Motion Simulator:
    2DOF, DC motor, SimAxe, SimforceGT
    Looks like we are evolving more and more to a place for teaching people about hardware and electronics more and more.
    I like the idea extremely of becoming a friendly place for electronic DIY projects of all kinds.
    • Like Like x 4
  10. speedy

    speedy Well-Known Member

    Joined:
    Feb 1, 2012
    Messages:
    1,193
    Location:
    Alexandria , Egypt
    Balance:
    7,948Coins
    Ratings:
    +1,287 / 10 / -0
    My Motion Simulator:
    3DOF, AC motor, Arduino, Motion platform
    And that's the beauty of the " DIY simulator project " ...
    You find yourself involved into many fields [ computers, programs, micro-controllers, electronics, motors and mechanical power calculation, mechanical structure, painting, .... ]

    All can be found in www.xsimulator.net community forum ...:thumbs
    • Like Like x 2
  11. cthiggin

    cthiggin Active Member

    Joined:
    Jul 1, 2012
    Messages:
    672
    Occupation:
    Self-Employed
    Location:
    Montgomery AL USA
    Balance:
    15,210Coins
    Ratings:
    +435 / 0 / -0
    My Motion Simulator:
    3DOF, AC motor, Arduino, Motion platform
    Just love the evolution that this site is going through.....what a learning site it is.
    Have a blessed one folks.

    Tom
    • Agree Agree x 1
  12. patritti

    patritti simracer

    Joined:
    Mar 9, 2014
    Messages:
    61
    Occupation:
    composite race car parts manufacturing
    Location:
    woodstock GA usa
    Balance:
    516Coins
    Ratings:
    +61 / 1 / -0
    My Motion Simulator:
    3DOF, SCN6
    i like the motion platform .
    i wonder if they are using actuators or motors .
  13. bsft

    bsft

    Balance:
    Coins
    Ratings:
    +0 / 0 / -0
    Hydraulics I think
  14. FarmBoy

    FarmBoy New Member

    Joined:
    Mar 20, 2014
    Messages:
    16
    Balance:
    472Coins
    Ratings:
    +12 / 0 / -0
    My Motion Simulator:
    AC motor
    Hi,

    Most VSD have RS485 communication available. It is therefore possible to terminate only the sensor you are using for positional feedback. Initiating the drive and sending it feedback from the PC and letting the drives do all the PID control technically the correct way of doing things.

    Everyone seems to be using an external controller to send analog feedback to the drives and I am wondering why that is so? Most drives make use of a protocol called modbus and it doesn't look like simtools generates a CRC checksum yet to make modbus available from the PC end, but the code is freely available and t will make Simtools very dynamic to be used with VSD's.

    Has anyone else thought about this?

    Regards,
    FarmBoy
    • Like Like x 1
  15. cthiggin

    cthiggin Active Member

    Joined:
    Jul 1, 2012
    Messages:
    672
    Occupation:
    Self-Employed
    Location:
    Montgomery AL USA
    Balance:
    15,210Coins
    Ratings:
    +435 / 0 / -0
    My Motion Simulator:
    3DOF, AC motor, Arduino, Motion platform
    Hello FarmBoy and ALL of my friends here,

    @FarmBoy says: Everyone seems to be using an external controller to send analog feedback to the drives and I am wondering why that is so? Most drives make use of a protocol called modbus and it doesn't look like simtools generates a CRC checksum yet to make modbus available from the PC end, but the code is freely available and t will make Simtools very dynamic to be used with VSD's

    I saw this availability on a video at Automation Direct - This is the company that I am going to purchase my 3 or 4 VFD's from.
    I currently have Digital Pots for motion sensing. It will be "about 1 month" and I'll be ready to purchase my VFD's and boards for my electronics box.


    As most of my friends here know, I have very limited knowledge of electronics, code, etc....basic wiring yes - electronics, NO.

    IF this is a method that we can USE here to make VFD's and motor/motion control "better/faster" than what is available to us, Then PLEASE bring it to the table so we can be better.

    Thanks so much for your info and posting.

    GOOD to have you here - there is just no better motion forum, and I'll guarantee the nicest and most helpful team on the planet!!!!

    Have a blessed one.

    Tom

  16. speedy

    speedy Well-Known Member

    Joined:
    Feb 1, 2012
    Messages:
    1,193
    Location:
    Alexandria , Egypt
    Balance:
    7,948Coins
    Ratings:
    +1,287 / 10 / -0
    My Motion Simulator:
    3DOF, AC motor, Arduino, Motion platform
    Hi @FarmBoy Yes and Nice for simple ON/OFF and some simple command for industrial motors alarm monitoring ... but I guess very Old and very very slow for real time motion simulation ... it was an invention before the USB ... not all the VFDs now have it " kind of obsolete addition " or comes as separate ADD ON card .

    http://en.wikipedia.org/wiki/Modbus




    edit : But actually this is strange the USB-RS485 converters now can send up to 2Mbps like the SCN5 ... so help investigate this more ... and give @yobuddy what is needed .
    Last edited: Mar 21, 2014
  17. cthiggin

    cthiggin Active Member

    Joined:
    Jul 1, 2012
    Messages:
    672
    Occupation:
    Self-Employed
    Location:
    Montgomery AL USA
    Balance:
    15,210Coins
    Ratings:
    +435 / 0 / -0
    My Motion Simulator:
    3DOF, AC motor, Arduino, Motion platform
    Hi friend Speedy,
    Thanks for your update on the VFD Protocol - when I saw @FarmBoy information, I wondered why you hadn't responded yet? -
    I'll "message up" with you in a couple days - just waiting on packages to arrive...been "real" busy in my business......

    All of you folks have a blessed one.

    Tom

    PS - Thanks again @FarmBoy for your info.
  18. speedy

    speedy Well-Known Member

    Joined:
    Feb 1, 2012
    Messages:
    1,193
    Location:
    Alexandria , Egypt
    Balance:
    7,948Coins
    Ratings:
    +1,287 / 10 / -0
    My Motion Simulator:
    3DOF, AC motor, Arduino, Motion platform
    Thanks Tom for supporting the thread while me too have a " Flu " ... any important update will be posted accordingly ... but here are some first annoying results .:(

    First ... It seems that there are no stander language that VFDs internal FW are using to communicate with there special designed SW on the control computer ... plus each company is using there own control PLC devices ...

    Second ... Even the Modbus RTU of some VFDs seems promising in it's data speed ... they are using such PID control for " Open Loop speed control " without FB sensors ... OK where would the error in motion will be calculated ? ...
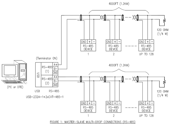
    Even If position error is not the issue ... Motion Simulators are using a "closed loop position control " with FB sensors ... Lot of data IN and OUT for each device which expected to be connected with other VFDs in a daisy chain connection to the USB-RS485 converter like this ... so there is a very good chance that data lagging in time will happen ...
    USB-dual-RS485-Connection.jpg
    it seems like there are a lot of disadvantages to be found in this ... Sorry @FarmBoy .


    BTW @cthiggin ... Did you finished the AC wiring diagram ? based on the US-NEC "National Electric Code"...
    Last edited: Mar 21, 2014
  19. cthiggin

    cthiggin Active Member

    Joined:
    Jul 1, 2012
    Messages:
    672
    Occupation:
    Self-Employed
    Location:
    Montgomery AL USA
    Balance:
    15,210Coins
    Ratings:
    +435 / 0 / -0
    My Motion Simulator:
    3DOF, AC motor, Arduino, Motion platform
    Hi Speedy,
    I'm so sorry you have the flu. Get better soon. Wife and I are "just now" STARTING to get some of our strength back...we were so fatigued after both of us having the whooping cough & walking pneumonia, combined, at the same time.........Gee Whiz, at our age we thought we had bought the "Big One" and were on our way out...

    Through your VFD and AC expertise, we all accept that we can operate, very successfully, through pots, SimAxe Boards etc. Of course, if there IS a method to make it easier / faster / more cost effective,
    you and other "heavy weights" will check it out. I'm sure @FarmBoy had this intention of really helping all - AND, you never know, it may be another avenue for successful AC/VFD motion????

    I'm having some difficulty purchasing a "Custom Spring".... These Spring Manufacturers really don't want to be bothered with a little guy needing 1 spring and will just tell you that what you're wanting is out of
    their manufacturing range......which is crap. Just tell me you don't have time to fool with the little guy.....be honest.....geeze. I've told two of the manufacturers' that it's an ASSIST SPRING and that I don't want to lift a sky-scraper. Pissed one of them off real bad...

    I've been putting together a .pdf with a little flash video of a motion platform with spring in action so they can see...along with my specs.....I'm going to do a broadcast email to every Spring Manufacturer in the US.
    Maybe, just maybe, I'll get lucky....(Put a couple lines in the specs about my grandsons' asking their "Pop" everyday how long it was going to be before they got their racing machine??? That's a lie, but maybe somebody will feel sorry for me and make me a spring?) Hope so anyway.

    Finally, for now, I'm waiting to receive my "Contactor" - I want to send you a .pdf copy of the installation sheet, so when I draw it in, I can show the correct wiring sequence. It looks very different than the one you
    have in this thread and sent to me, showing the connections...

    Yes, I am going to finish the AC wiring diagram based on the US-American Indian Electrical Code - Two wire, hook'em up - Three wire, screw'em up - That's the "me thinks" code. Screw the rest. As long as I don't
    get on the finished sim and take off like a rocket-ship - or go up in flames - IF I'm racing, that will be ok..

    FEEL better friend. Thanks and good to hear from you - and PLEASE take care and get over the flu....

    ALL have a blessed one,

    Tom
  20. FarmBoy

    FarmBoy New Member

    Joined:
    Mar 20, 2014
    Messages:
    16
    Balance:
    472Coins
    Ratings:
    +12 / 0 / -0
    My Motion Simulator:
    AC motor
    Hi Tom,

    Thank you for your welcoming!

    Is this the VSD you will be getting:
    http://www.automationdirect.com/adc...ts_(115_-z-_230_-z-_460_-z-_575_VAC)/GS2-11P0

    It is my understanding that vector-flux control is very important for our type of application. Now dont get me wrong, you will get motion from what you are about to do. You might want to consider getting braking resistors to get rid of the regenerative energy and help with startup torque.

    @abto_tohan
    You are right that modbus is an old protocol, but it survived until today because it is stable and that is why i am considering it.
    Regarding your error calculation, please take a look at the datasheet of the above VSD. Under parameter P7.02 one can select keypad or Serial communication, after selecting serial communication and setting up the rest of the drive - you will need to let the PC know what register to dump the setpoint in. Motor feedback is directly connected to the drive.

    The VSD above, in my opinion, was not designed for a simulator type op application. It is a good VSD to attach to your lathe or change the speed of your swimming pool pump, but because it only has one analog input and the way that they have setup the PID control into the drive - I dont think they really want the user to change the direction of the motor very frequently. Perhaps its because it doesn't have vector-flux control to know when it is safe to do so.

    I have experience with modbus and i am also still in two minds about it but only because i haven't tested it in an application like this. Here are my thoughts:
    Why should modbus be considered?
    1. Independent PID control for each motor.
    2. You get to supply a 16bit setpoint error from the PC. Great scope of movement.
    3. Allot less wiring and components. Fault finding and setting up will be quick because of serial software available to monitor serial ports.
    4. Modbus is easy to learn and understand. All the code for it is available for free online. CRC16 is typically used if you were wondering.
    5. Most, if not all VSD will use modbus. I think it is cheaper to implement than Profibus or some other protocols.
    6. The layout of modbus is similar for commands send. The only difference one might get is the write command and address of register, but the rest of the message stays the same. For example: 01 05 0C 00 00 02 4B 37 ; So 05 is the write command to this VSD but for other VSD's it might be 16 instead of 05. Also 0C 00 is the location of the register where we are dumping in our PID setpoint of 00 02, every make of VSD will allocate a different register for PID reference value. 4B 37 is the CRC16 checksum. Perhaps from the simtools one could say <01><05><0C><00><axis1>crc ; <2><5><C><0><axis2>crc;...
    One can give each drive their own address and it will detect its modbus string.
    7. High baud rates are typically available.

    Why should modbus not be considered?
    1. When a command is send to the VSD, how will it respond? Typically one will send a modbus command to a VSD or PLC and it will respond back to say that the message was received. We dont need to know if the message was received every time we send a command, we just want to dump PID onto the VSD. This will have to be tested and if it works then i will highly recommend using modbus.

    On final thought to Tom.
    When i am going to select my VSD one of the things i will look for is the setup of analog inputs. Say we are working from 0-10V, in the parameter i want to select 0-100% (this just tells the drive that i am using 0-10V and not 2-10V) ; but then i want to be able scope the range of movement from -100% - +100%. I will be surprised if you can find a vector-flux controlled drive that doesn't allow the analog inputs to be calibrated in this manner.
    • Like Like x 1
    • Informative Informative x 1