1. Do not share user accounts! Any account that is shared by another person will be blocked and closed. This means: we will close not only the account that is shared, but also the main account of the user who uses another person's account. We have the ability to detect account sharing, so please do not try to cheat the system. This action will take place on 04/18/2023. Read all forum rules.
    Dismiss Notice
  2. For downloading SimTools plugins you need a Download Package. Get it with virtual coins that you receive for forum activity or Buy Download Package - We have a zero Spam tolerance so read our forum rules first.

    Buy Now a Download Plan!
  3. Do not try to cheat our system and do not post an unnecessary amount of useless posts only to earn credits here. We have a zero spam tolerance policy and this will cause a ban of your user account. Otherwise we wish you a pleasant stay here! Read the forum rules
  4. We have a few rules which you need to read and accept before posting anything here! Following these rules will keep the forum clean and your stay pleasant. Do not follow these rules can lead to permanent exclusion from this website: Read the forum rules.
    Are you a company? Read our company rules

Question Power supply tripping

Discussion in 'Electronic and hardware generally' started by Pino Pistolidas, Feb 28, 2019.

  1. yellofella

    yellofella Member

    Joined:
    Aug 8, 2011
    Messages:
    94
    Occupation:
    builder
    Location:
    UK
    Balance:
    744Coins
    Ratings:
    +84 / 0 / -0
    My Motion Simulator:
    3DOF, SimforceGT
    I don't think a 0.7v voltage drop is going to make much difference, you may loose a small amount of speed from the motor but otherwise should be ok. Any voltage bellow 12v is undesirable so if your concerned you could switch to using led power supplies, they have an adjustable voltage trim pot on them and go up to 13.5v so you could adjust it to get 12v after the diode. My 480w 12v supplies were £22 each on ebay and perform well.
  2. BlazinH

    BlazinH Well-Known Member

    Joined:
    Oct 19, 2013
    Messages:
    2,145
    Location:
    Oklahoma City, USA
    Balance:
    16,701Coins
    Ratings:
    +1,840 / 32 / -1
    If you need full power often your motors are probably under powered for your rig and its weight anyway. I use 85% max power to my motors and you will notice many members that use SMC3 don't set pwmmax to max of 255.
    • Informative Informative x 1
  3. Arazok

    Arazok Member

    Joined:
    Mar 26, 2018
    Messages:
    184
    Occupation:
    Computer scientist
    Location:
    Germany
    Balance:
    797Coins
    Ratings:
    +32 / 0 / -0
    My Motion Simulator:
    2DOF
    you are right. With my MM pwmmax was set to 125, so enough room for increasing
  4. Arazok

    Arazok Member

    Joined:
    Mar 26, 2018
    Messages:
    184
    Occupation:
    Computer scientist
    Location:
    Germany
    Balance:
    797Coins
    Ratings:
    +32 / 0 / -0
    My Motion Simulator:
    2DOF
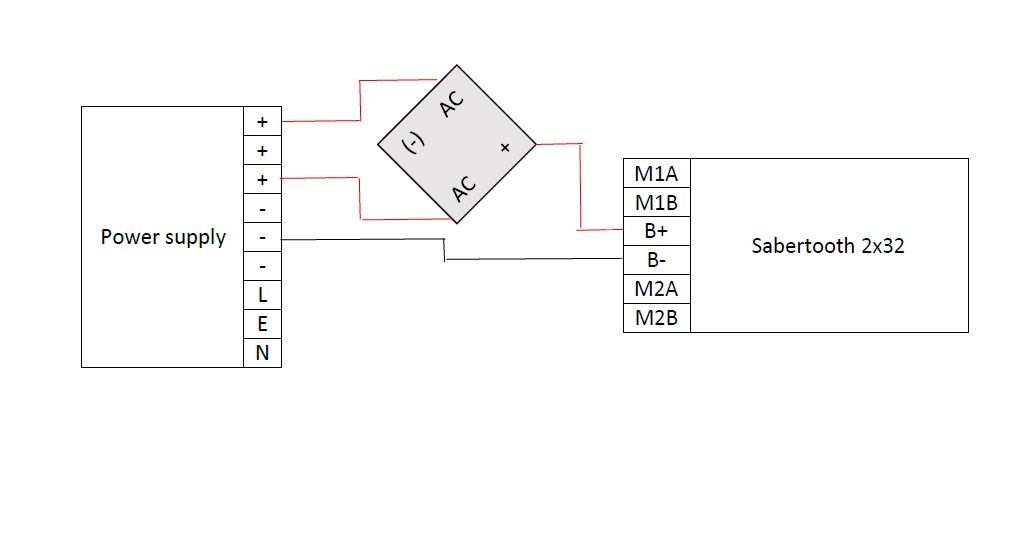
    Pino, are you using the KBPC5010 and as well two power clamp resisitors ? Or only the bridge rectifier ?
  5. Pino Pistolidas

    Pino Pistolidas New Member

    Joined:
    Mar 16, 2018
    Messages:
    22
    Location:
    Netherlands nijkerk
    Balance:
    174Coins
    Ratings:
    +19 / 0 / -0
    My Motion Simulator:
    3DOF, DC motor, Arduino
    Hello Arazok,
    Sorry for my late reply. Yes, I'm using power resistors I have 4 pc. of 6 Ohms and 100w. I have put these 2x2 in parallel so on each voltage clamp I have a 3Ohms 200W.
    And I'm using the KBCP5010, which helped the most.
    • Informative Informative x 1
  6. My.stAr

    My.stAr Active Member

    Joined:
    Sep 7, 2012
    Messages:
    151
    Occupation:
    Engineer
    Location:
    Germany
    Balance:
    1,065Coins
    Ratings:
    +64 / 0 / -0
    My Motion Simulator:
    DC motor
    Thanks @Pino Pistolidas ! That helped my PSU not to shut down all the time.

    Interestingly the resistor seem to do nothing... Using the diagnostics in DEScribe the P2 shows -100 % all the time (atm only motor 2 is used for testing).
    Are your resistors used?
  7. Pino Pistolidas

    Pino Pistolidas New Member

    Joined:
    Mar 16, 2018
    Messages:
    22
    Location:
    Netherlands nijkerk
    Balance:
    174Coins
    Ratings:
    +19 / 0 / -0
    My Motion Simulator:
    3DOF, DC motor, Arduino
    Hello My.stAr,

    To be honnest I didn't see any difference in the proformance of the sabertooth or the tripping of my powersupply when I added the power resistors. And what I can recall I also had these kind of readings from the diagnostics in DEScribe. I did leave the power resistors on, they might still do some good:confused:.
  8. My.stAr

    My.stAr Active Member

    Joined:
    Sep 7, 2012
    Messages:
    151
    Occupation:
    Engineer
    Location:
    Germany
    Balance:
    1,065Coins
    Ratings:
    +64 / 0 / -0
    My Motion Simulator:
    DC motor
    OK thanks:thumbs

    as long as the system works I don't care if the resistors do something or not. It's just wasted money if I would need the resistors someday in another project.
  9. Arielnac

    Arielnac Member

    Joined:
    Nov 20, 2017
    Messages:
    79
    Location:
    Argentina
    Balance:
    240Coins
    Ratings:
    +35 / 0 / -0
    My Motion Simulator:
    2DOF
    [QUOTE = "Pino Pistolidas, post: 181364, miembro: 29368"] Hola My.stAr,

    Para ser honesto, no vi ninguna diferencia en la potencia del sable o el disparo de mi fuente de alimentación cuando agregué las resistencias de potencia. Y lo que puedo recordar también tuve este tipo de lecturas de los diagnósticos en DEScribe. Dejé encendidas las resistencias de potencia, aún podrían hacer un poco bien :confuso:. [/ QUOTE]

    Hi. I will use this solution for my project with BTS7960. It has happened to me during the tests with SMC3 that the power supply is turned off when the motors are required.
    • Informative Informative x 1
  10. Arazok

    Arazok Member

    Joined:
    Mar 26, 2018
    Messages:
    184
    Occupation:
    Computer scientist
    Location:
    Germany
    Balance:
    797Coins
    Ratings:
    +32 / 0 / -0
    My Motion Simulator:
    2DOF
    I am fine with my solution without the resistors (even if I bought them). Works fine with KBCP5010 only.....
  11. My.stAr

    My.stAr Active Member

    Joined:
    Sep 7, 2012
    Messages:
    151
    Occupation:
    Engineer
    Location:
    Germany
    Balance:
    1,065Coins
    Ratings:
    +64 / 0 / -0
    My Motion Simulator:
    DC motor
    For me it also works without the resistors:)
  12. MarcoMade

    MarcoMade Active Member

    Joined:
    Jan 3, 2018
    Messages:
    150
    Occupation:
    Tecnico pc hardware/software MadeFix
    Location:
    italy
    Balance:
    157Coins
    Ratings:
    +64 / 0 / -0
    My Motion Simulator:
    2DOF, 3DOF, DC motor, Arduino
    using resistors doesn't make sense to me.
    increasing the resistance only reduces the control of an engine.
    damping.
    the very low internal resistance of the H bridges is excellent for keeping the precise rotation of a motor under control, if we weaken this brake we also lose control of the motor.
    I would certainly take care of the power supply side, even if necessary for a powerful non-controlled linear power supply, ie a large toroidal transformer, a suitable diode bridge, and capacitors to level the alternating ripple.
    these power supplies do not turn off.
    Marco
  13. Kass55

    Kass55 Member

    Joined:
    Aug 19, 2015
    Messages:
    72
    Occupation:
    PC support
    Location:
    UK
    Balance:
    327Coins
    Ratings:
    +16 / 0 / -0
    My Motion Simulator:
    2DOF, DC motor, JRK
    Thank you for this. I will try the KBPC5010 Bridge Rectifier Diode

    I am using similar motors (12V version)
    90ZYT155-12-MCP4 with 1:50 gear box 370W from Motion Control Products

    Connected to the new JRK G2 board with a PC 750W 62A PSU
    and I am getting getting constant power supply tripping out
    when moving the motor quickly forward and reverse. (with no weight on seat yet).

    Runs fine if I go gentle slow up & slow down
    or set PID to 0.399, Max. power down to 100 and Max. acceleration down to 6
    But this gives slow response.
  14. Arielnac

    Arielnac Member

    Joined:
    Nov 20, 2017
    Messages:
    79
    Location:
    Argentina
    Balance:
    240Coins
    Ratings:
    +35 / 0 / -0
    My Motion Simulator:
    2DOF
    Hi. Wait for testing with simtools when you have a functional platform to draw conclusions about it. The same thing happened to me during the tests with SMC3.
  15. MarcoMade

    MarcoMade Active Member

    Joined:
    Jan 3, 2018
    Messages:
    150
    Occupation:
    Tecnico pc hardware/software MadeFix
    Location:
    italy
    Balance:
    157Coins
    Ratings:
    +64 / 0 / -0
    My Motion Simulator:
    2DOF, 3DOF, DC motor, Arduino
    if I understand your problem correctly.
    the psu atx power supplies bear the emf badly.
    you could try with a schottky diode to protect the outputs of the power supply against the voltage returns caused by the motors during braking
  16. Stefzouille

    Stefzouille Member

    Joined:
    Dec 25, 2023
    Messages:
    105
    Balance:
    601Coins
    Ratings:
    +20 / 0 / -0
    My Motion Simulator:
    2DOF, DC motor, 4DOF
    Hello,
    thank you for this information. Do you happen to have a connection plan or diagram?

    the sunet is a little dated but with a little luck and kindness?!? ;)

    :)
  17. Stefzouille

    Stefzouille Member

    Joined:
    Dec 25, 2023
    Messages:
    105
    Balance:
    601Coins
    Ratings:
    +20 / 0 / -0
    My Motion Simulator:
    2DOF, DC motor, 4DOF
    hello, do you have a diagram or a plan with the correct components pls?