1. Do not share user accounts! Any account that is shared by another person will be blocked and closed. This means: we will close not only the account that is shared, but also the main account of the user who uses another person's account. We have the ability to detect account sharing, so please do not try to cheat the system. This action will take place on 04/18/2023. Read all forum rules.
    Dismiss Notice
  2. For downloading SimTools plugins you need a Download Package. Get it with virtual coins that you receive for forum activity or Buy Download Package - We have a zero Spam tolerance so read our forum rules first.

    Buy Now a Download Plan!
  3. Do not try to cheat our system and do not post an unnecessary amount of useless posts only to earn credits here. We have a zero spam tolerance policy and this will cause a ban of your user account. Otherwise we wish you a pleasant stay here! Read the forum rules
  4. We have a few rules which you need to read and accept before posting anything here! Following these rules will keep the forum clean and your stay pleasant. Do not follow these rules can lead to permanent exclusion from this website: Read the forum rules.
    Are you a company? Read our company rules

Mr Burn's simulator

Discussion in 'DIY Motion Simulator Projects' started by Mr Burns, Oct 17, 2008.

  1. patatrac

    patatrac New Member

    Joined:
    Mar 14, 2009
    Messages:
    8
    Occupation:
    My simulator and my family.
    Location:
    France
    Balance:
    318Coins
    Ratings:
    +0 / 0 / -0
  2. Mr Burns

    Mr Burns New Member

    Joined:
    Oct 16, 2008
    Messages:
    139
    Balance:
    0Coins
    Ratings:
    +0 / 0 / -0
    I would not buy any of those 2 power supplies unless you have a cabinet (the industrial kind) to put them in. I think those are supposed to be on rails in such cabinets. If you get 2 power supplies that are the type use for laptops (with the required volts/amps) you can cut one end and make your connections. They you don't have to worry about electrocuting yourself.

    A killswitch is technically not required to have the seat working. But it's a good idea in case something happens. You decide what it's worth to you.
  3. bvillersjr

    bvillersjr Active Member

    Joined:
    Oct 11, 2008
    Messages:
    1,174
    Location:
    Ohio, USA
    Balance:
    438Coins
    Ratings:
    +23 / 1 / -0
    The power supplies that you have shown ARE good options because the provide over-voltage protection. Mr. Burns suggestion of a laptop power-supply is a mistake in my opinion because laptop power supplies do NOT provide overvoltage protection. The SCN5's are known to be susceptible to voltage variations. I would highly suggest the 24V 4.5amp option that you listed.

    :cheers:
  4. egoexpress

    egoexpress Active Member

    Joined:
    Dec 13, 2006
    Messages:
    3,839
    Location:
    Germany - Frankfurt/M
    Balance:
    422Coins
    Ratings:
    +10 / 1 / -0
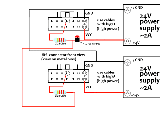
    The schematic above is an old one btw.

    It lacks the 27V zener diode for additional overvoltage protection. The PSU built-in ovp is not reliable enough for SCN5s...

    regards
  5. XRiccardo

    XRiccardo New Member

    Joined:
    Nov 14, 2008
    Messages:
    61
    Balance:
    1Coins
    Ratings:
    +1 / 0 / -0
    there some news of RBR? It can ever be supported?

    Thank!